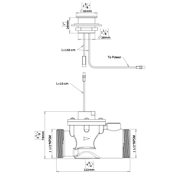
Prox Sensor Kit For Toilets
- Touch free electronic prox sensor kit for toilets.
- Includes a proximity sensor unit, solenoid valve with housing and power supply.
- Filter included.
- The following settings can be changed by using the Stern remote control: Sensor Range, Delay In, Delay Out and On-Off.
Request Quote / More Info
For more information, please fill out the form below:
Touch free electronic prox sensor kit for toilets. Includes a proximity sensor unit, solenoid valve with housing and power supply. Filter included. The following settings can be changed by using the Stern remote control: Sensor Range, Delay In, Delay Out and On-Off.
Application
Allows quick and easy modification of almost any traditional sanitary ware into an automatic touch-free one.
It’s widely utilized in environments requiring high level of hygiene, such as in hospitals, geriatric centers, prisons, restaurant kitchens and in the meat & fish industry. Being modular, it fits any interior and can be integrated with any existing water outlet.
The solenoid valve is simply installed onto the water-line, allowing water to flow to the toilet.
Use
Water will be delivered automatically when the user moves away from the sensor.
The system will be opened for 2.4 seconds.


Boreal
Classic
Condor
Cool TF
Csaba
Dolphin
Easy
Elite
Extreme
Green
Quadrat DM
Smart
Swan
Touch Free
Trendy
Trendy T
Tubular DM
Apollo AL
Apollo Free
Apollo Medical
BTM
Cubica
D28
Extreme CS
Malmo
Nara Q
Tubular
Tubular 1000
Tubular Wave DP LE Berührungslose Wandarmaturen
Washfree 1000
Green Time